Getzner ürünleri arasında yer alan mekanik ekipmanlar altında kullanılan ürünlerdir. Farklı mekanik cihazların altında Poliüretan esaslı, yaylı ve Poliüretan + yaylı hibrit ürünler farklı ihtiyaçları karşılayacak şeklide geliştirilmişlerdir. Fanlar, klima santralleri, boru ve kanal bağlantı noktaları, kompresörler, ısı pompaları, klima dış üniteleri gibi farklı mekanik ekipmanlarda kullanılabilirler.
Isotop Nedir?
Getzner Isotop, özellikle düşük frekanslı titreşimlerin ve mekanik sistem kaynaklı yapısal gürültünün kontrol altına alınması için geliştirilmiş yaylı titreşim izolasyon sistemleri serisidir.
Kauçuk ve elastomer esaslı izolasyon çözümlerinin yetersiz kaldığı uygulamalarda, Isotop sistemleri çok daha yüksek izolasyon verimi sağlar.
Isotop ürünleri; makine ile yapı arasındaki titreşim iletimini keserek hem konforu artırır hem de yapısal hasar riskini azaltır.
Isotop Ne İşe Yarar?
Isotop yaylı izolatörlerin temel amacı:
Düşük frekanslı titreşimleri sönümlemek
Mekanik sistemlerden yapıya geçen rezonansı azaltmak
Yapısal gürültüyü kontrol altına almak
Makine ve bina ömrünü uzatmak
Özellikle jeneratör, chiller, HVAC sistemleri ve ağır makinelerde yaylı izolasyon, elastomer çözümlere göre çok daha etkilidir.
Neden Yaylı Titreşim İzolasyonu?
Kauçuk ve elastomer ürünler genellikle orta ve yüksek frekanslarda etkilidir.
Ancak 10–15 Hz ve altındaki düşük frekanslarda, yaylı sistemler çok daha başarılıdır.
Isotop yaylı izolatörlerin avantajları:
Çok düşük doğal frekans
Yüksek izolasyon oranı
Geniş yük taşıma aralığı
Uzun ömürlü ve stabil performans
Profesyonel projelere uygunluk
Bu nedenle Isotop sistemleri, büyük ve kritik projelerde tercih edilir.
İSOTOP ÜRÜN GRUPLARI
Lorem ipsum dolor sit amet, consectetur adipiscing elit. Ut elit tellus, luctus nec ullamcorper mattis, pulvinar dapibus leo.
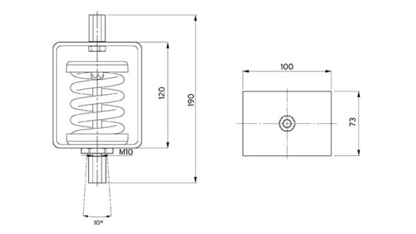
- Tension element for load ranges between 20 kg and 420 kg
- Overall height 190 mm
- Natural frequency from 3.2 Hz
- M10 internal thread

- Tension element for load ranges between 3 kg and 90 kg
- Overall height 173 mm
- Natural frequency from 3.5 Hz
- M8 internal thread

- Tension element for load ranges between 3 kg and 90 kg
- Overall height 104.60 mm
- Natural frequency from 3.5 Hz
- M8 internal thread

Lorem ipsum dolor sit amet, consectetur adipiscing elit. Ut elit tellus, luctus nec ullamcorper mattis, pulvinar dapibus leo.
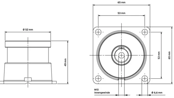
- Steel spring isolator for load ranges between 20 kg and 525 kg
- Overall height 94 mm
- Natural frequency from 3.2 Hz
- Electro-galvanised or cathodic dip-painted for higher levels of corrosion protection
- M10 internal thread

- Steel spring isolator for load ranges between 3 kg and 90 kg
- Overall height 57 mm
- Natural frequency from 3.5 Hz
- Electro-galvanised or cathodic dip-painted for higher levels of corrosion protection
- M8 internal thread

- Block element made from steel spring isolators for load ranges between 690 kg and 4730 kg
- Overall height 114 mm
- Natural frequency from 3.4 Hz
- Combination of 2 or 4 Isotop® SD spring elements
- Cathodic dip-painted for high levels of corrosion protection and powder-coated pressure distribution plate

- Block element made from steel spring isolators for load ranges between 117 kg and 800 kg
- Overall height 75 mm
- Natural frequency from 3.5 Hz
- Combination of 4 Isotop® MSN
- Cathodic dip-painted for high levels of corrosion protection and powder-coated pressure distribution plate

Lorem ipsum dolor sit amet, consectetur adipiscing elit. Ut elit tellus, luctus nec ullamcorper mattis, pulvinar dapibus leo.
- For transformers with wheels between 400 kg and 10,000 kg
- High-performance pad made from Sylodyn®
- Overall height 69 mm
- Reel width from 40 mm to 70 mm
- Reel diameter up to 200 mm

- Machine mounting for load ranges between 61 kg and 260 kg
- Overall height 118 mm
- Natural frequency from 9,7 Hz
- Ball-and-socket joint to compensate for uneven floors and sloping
- M10 internal thread

Lorem ipsum dolor sit amet, consectetur adipiscing elit. Ut elit tellus, luctus nec ullamcorper mattis, pulvinar dapibus leo.
- Pressure-tension element that absorbs loads in all spatial directions
- Load range up to 1.200 kg
- Height 75,5 mm
- Natural frequency from 11,4 Hz
- Stainless steel housing for ultimate corrosion protection

- Pressure-tension element with high-performance damper for load ranges between 24 kg and 1030 kg
- Height 62 mm (DZE-1) or 87 mm (DZE-2)
- Natural frequency from 7 Hz
- Stainless steel housing for ultimate corrosion protection

- Pressure-tension element with high-performance damper for load ranges between 8 kg and 230 kg
- Height 49 mm
- Natural frequency from 9,6 Hz
- Stainless steel housing for ultimate corrosion protection

- Block element made from push-pull elements for load ranges between 1635 kg and 4135 kg
- Height 82 mm (DZE-1) or 107 mm (DZE-2) without anti-slip mat
- Natural frequency from 7,7 Hz
- Stainless steel housing for ultimate corrosion protection
Lorem ipsum dolor sit amet, consectetur adipiscing elit. Ut elit tellus, luctus nec ullamcorper mattis, pulvinar dapibus leo.
- Sandwich vibration damping pads with high-quality vibration isolation for load ranges between 90 kg and 2050 kg
- Overall height 51.5 mm
- Isolating layer made from Sylomer® or Sylodyn® with 37.5 mm thickness
- Natural frequency from 7.5 Hz
- Electro-galvanised pressure distribution plate
- 4 mm anti-slip mat
- M12 internal thread

- Sandwich vibration damping pad for load ranges between 63 kg and 930 kg
- Overall height 33 mm
- Isolating layer made from Sylomer® with 25 mm thickness
- Natural frequency from 10.8 Hz
- Electro-galvanised pressure distribution plate
- 3 mm anti-slip mat

- Sandwich vibration damping pad for double elastic bearing for load ranges between 105 kg and 2,840 kg
- Overall height 149 mm
- Isolating layer made from Sylomer® or Sylodyn®
- Natural frequency from 5.7 Hz
- Hot dip galvanised pressure distribution plate
- 60 mm-thick, heavy settling mass
- M12 internal thread

- Sandwich vibration damping pad for double elastic bearing for load ranges between 150 kg and 3,480 kg
- Overall height 111.5 mm
- Isolating layer made from Sylomer® or Sylodyn®
- Natural frequency from 8.8 Hz
- Hot dip galvanised pressure distribution plate
- 60 mm-thick, heavy settling mass
- M12 internal thread

Lorem ipsum dolor sit amet, consectetur adipiscing elit. Ut elit tellus, luctus nec ullamcorper mattis, pulvinar dapibus leo.
- Steel spring isolator with damper core for load ranges between 24 kg and 650 kg
- Overall height 94 mm
- Cathodic dip-painted for higher levels of corrosion protection
- M10 internal thread

- Steel spring isolator with damper core for load ranges between 11 kg and 100 kg
- Overall height 57 mm
- Natural frequency from 5.3 Hz
- Cathodic dip-painted for higher levels of corrosion protection
- M8 internal thread

- Block element made from steel spring isolators with damper core for load ranges between 400 kg and 5,850 kg
- Overall height 114 mm
- Natural frequency from 4.3 Hz
- Combination of 2, 4, 6 or 9 Isotop® DSD
- Cathodic dip-painted for high levels of corrosion protection and powder-coated pressure distribution plate

- Block element made from steel spring isolators for load ranges between 215 kg and 1,590 kg
- Overall height 75 mm
- Natural frequency from 5.3 Hz
- Combination of 4, 6, 9 or 16 Isotop® DMSN
- Cathodic dip-painted for high levels of corrosion protection and powder-coated pressure distribution plate

Lorem ipsum dolor sit amet, consectetur adipiscing elit. Ut elit tellus, luctus nec ullamcorper mattis, pulvinar dapibus leo.
- Vibration damper with metal caps and threaded fastening for load ranges up to 35 kg
- Overall height 45 mm
- Natural frequency from 7.4 Hz
- Zinc-nickel coating for high corrosion protection
- M8 internal thread and/or stud bolt
- Available in three different attaching options

- Vibration dampers for low installation heights for load ranges between 4 kg and 95 kg
- Overall height 28 mm
- Natural frequency from 9,9 Hz
- M8 internal thread and/or stud bolt
- Available in four different attaching options
- Can also be used as an anti-slip machine mounting

- Compressor grommets made from high-performance dampers for load ranges between 3 kg and 25 kg
- Overall height 25 mm and 38 mm
- Integrated steel case for secure mounting with high starting torque
- Suitable for M8 screws

Isotop Nerelerde Kullanılır?
Jeneratör ve güç sistemleri
Chiller ve soğutma grupları
HVAC sistemleri
Mekanik odalar
Endüstriyel makineler
Stüdyo ve hassas alanlar
Bina ve yapı titreşim izolasyonu
Sık Sorulan Sorular
Lorem ipsum dolor sit amet, consectetur adipiscing elit. Ut elit tellus, luctus nec ullamcorper mattis, pulvinar dapibus leo.
Doğrudan ses yalıtımı yapmaz, ancak yapısal titreşimi kestiği için gürültüyü ciddi ölçüde azaltır.
Düşük frekanslı ve ağır sistemlerde Isotop çok daha etkilidir.
Profesyonel projelerde, mühendislik hesaplarının gerektiği uygulamalarda tercih edilir.

