Akustik Sismik İzolatörler: Titreşim Kaynaklı Gürültüye Kalıcı Çözüm
Akustik sismik izolatörler, yapısal titreşimlerin ve darbeli seslerin binalarda yayılmasını engellemek için kullanılan özel yalıtım elemanlarıdır. Özellikle betonarme yapılarda, şap ve duvar birleşimlerinde tercih edilen bu ürünler, titreşim emici özellikleri sayesinde hem akustik konforu artırır hem de yapı ömrünü uzatır.
Akustik Sismik İzolatör Nedir?
Akustik sismik izolatör, metal, yangına dayanıklı takoz, titreşim önleyici sbr’den üretilmiş, darbe seslerini ve titreşimleri absorbe eden titreşim izolatörüdür. Tavan veya duvarlarda kullanılarak mekanik seslerin ve darbe kaynaklı titreşimlerin yayılmasını engeller.
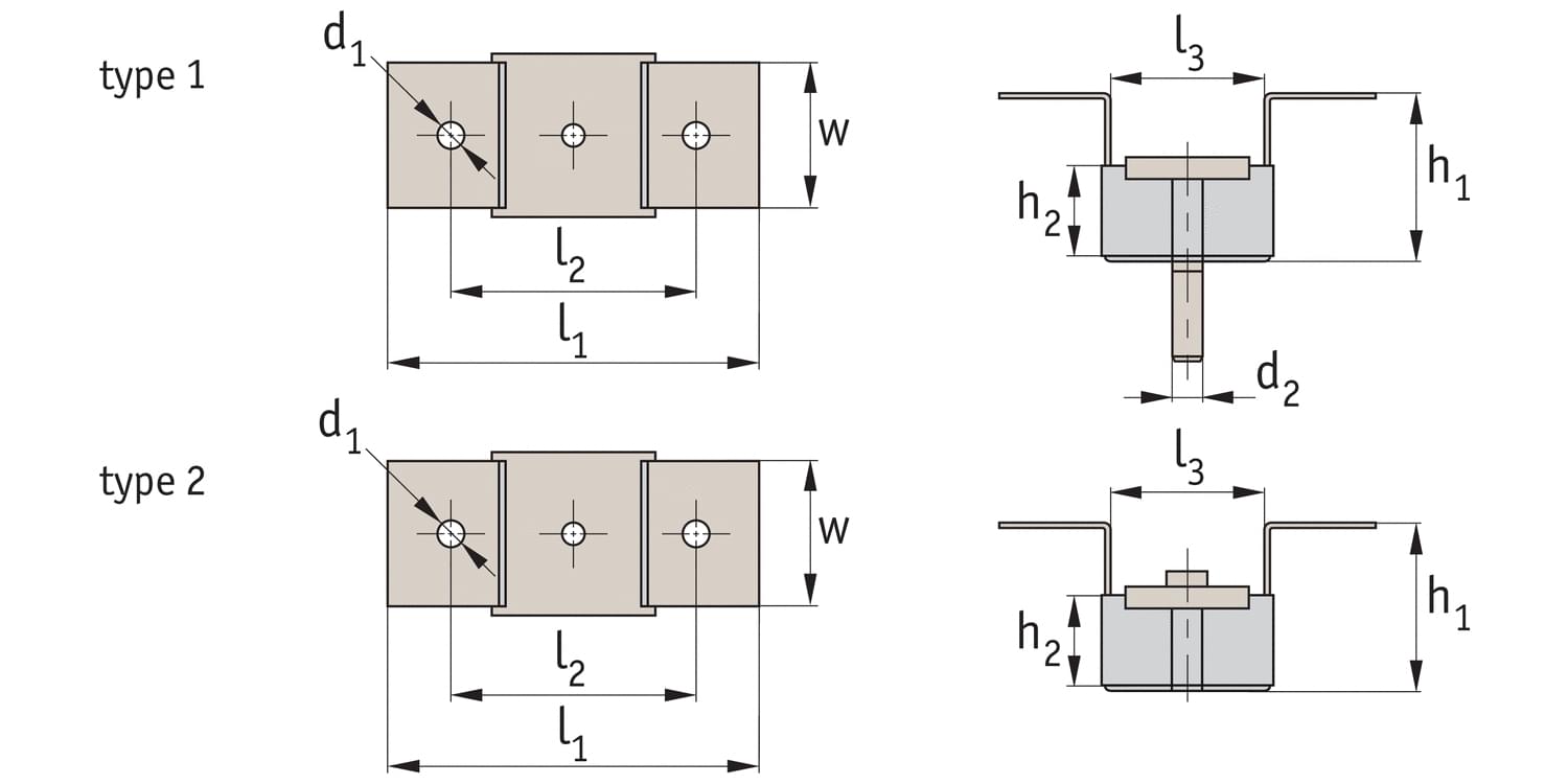
ELT001 MODELİ
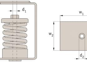
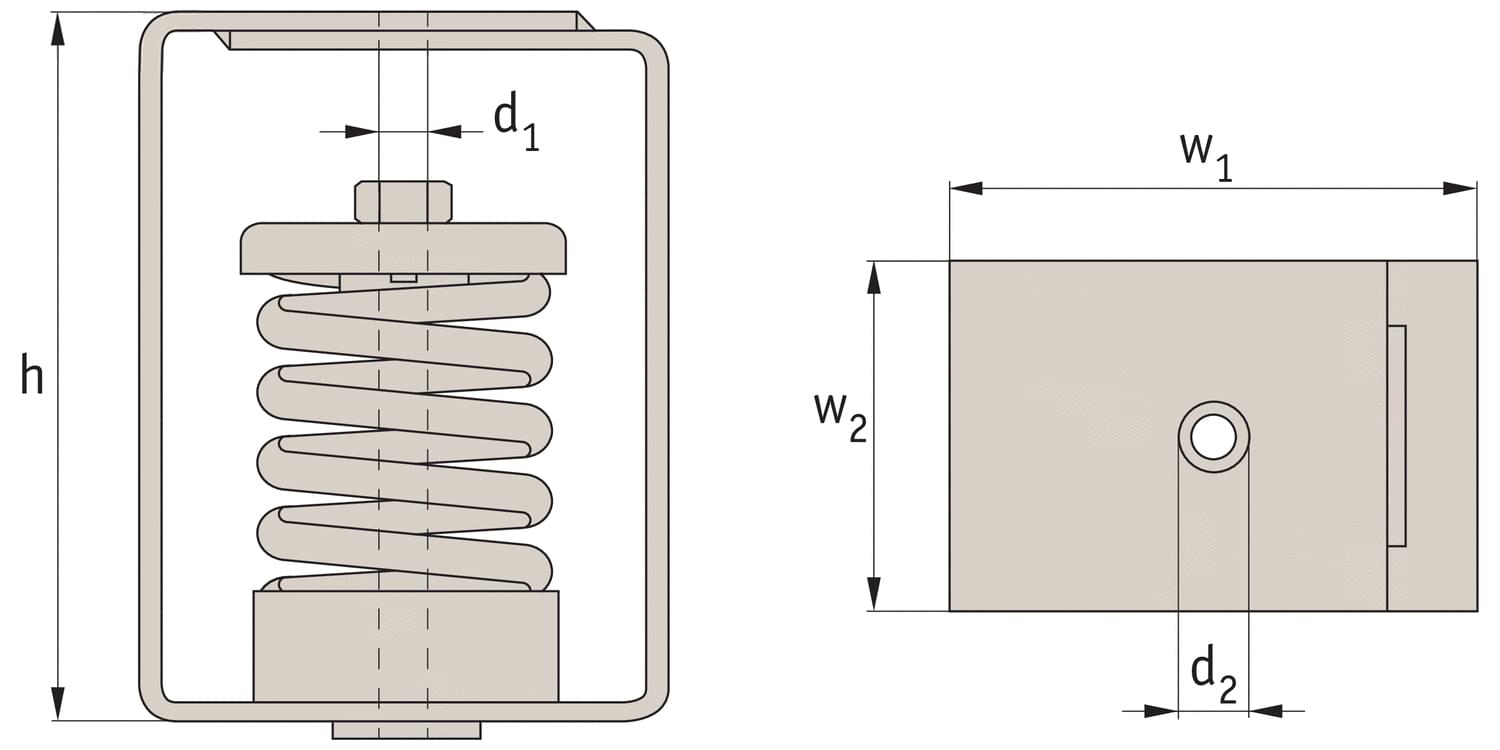
ELT 002 MODELİ
Kullanım Alanları
Akustik sismik izolatörler birçok farklı alanda tercih edilir:
Ev sineması ve kayıt stüdyosu uygulamalarında
Makine daireleri, asansör daireleri, HVAC sistemleri bulunan bölgelerde
Oteller, hastaneler, ofisler ve konferans salonlarında
Endüstriyel tesislerde yüksek titreşimli cihazların altında
Konut ses yalıtımlarında titreşimi engeller
Teknik Özellikler
Malzeme Yapısı: Metal, yangına dayanımlı takoz, titreşim emici sbr kauçuk
Kalınlık Seçenekleri: 4cm x 8cm
Yoğunluk: Yüksek darbe emici kapasite
Uygulama Yüzeyi: Tavan ve Duvar
Uzun Ömür: Aşınma, rutubet ve sıcaklık değişimlerine karşı dayanıklı
Avantajları
Titreşim ve Darbe Seslerini Engeller
-Betonla temas eden mekanik sistemlerin yaydığı titreşimleri izole eder.
Yapısal Güvenliği Artırır
-Titreşimlerin yapı elemanlarına zarar vermesini önleyerek uzun vadede bina güvenliğine katkı sağlar.
Akustik Performansı Yükseltir
-Ses yalıtımı performansını artırarak yankı, çınlama ve düşük frekanslı seslerin yayılmasını sınırlar.
Neden Akustik Sismik İzolatör Kullanmalısınız?
Günümüz yapılarında hem ses yalıtımı hem de titreşim izolasyonu hayati öneme sahiptir. Özellikle çok katlı binalarda ya da ses hassasiyetinin yüksek olduğu projelerde, akustik sismik izolatör kullanımı hem konforu hem de kaliteyi doğrudan etkiler.
Sonuç
Akustik sismik izolatörler, yapı akustiği ve mekanik titreşim kontrolü açısından yüksek performanslı bir çözümdür. Kolay uygulanabilirliği, uzun ömürlü yapısı ve ses yalıtımına olan katkısı ile modern yapıların vazgeçilmez bir parçasıdır. Eğer siz de ses yalıtımı projelerinizde etkili, kalıcı ve profesyonel bir çözüm arıyorsanız, Elit Acoustic üretici firma olarak akustik sismik izolatörleri mutlaka değerlendirmelisiniz.






































































